
Конвейерная центрифуга с разрядным экраном серии llw-это центрифуга с низким энергопотреблением, стабильной производительностью и хорошей эффективностью разделения. Обработка разделения от подачи до обезвоживания, очистки и сброса является непрерывной с высокой эффективностью обработки и высокой степенью автоматизации. это современное разделительное оборудование.
Конвейерная центрифуга с разрядным экраном серии llw-это центрифуга с низким энергопотреблением, стабильной производительностью и хорошей эффективностью разделения. Обработка разделения от подачи до обезвоживания, очистки и сброса является непрерывной с высокой эффективностью обработки и высокой степенью автоматизации. это современное разделительное оборудование.
Подающая суспензия вводится в центрифугу через подающую трубу и в распределительную камеру подачи и вводится в корзину через отверстие вблизи конусовой точки конвейера. Под центробежной силой твердые вещества фильтрируют из жидкости и оседают к стенке корзины, в то время как проясненная жидкость выходит через экран перелива. твердые вещества в конической корзине передаются с меньшего конца на больший, в то время как конвейер поворачивается с немного другой скоростью. чем больше диаметр, тем больше создается центробежная сила для разделения жидкости/твердых веществ. твердые вещества высушаются, когда их сливают из корзины.
Промывальная труба, включенная в центрифугу, может не только фильтровать твердый пирог, но и промывать пирог. Тонкая стирка торта обеспечивает хороший эффект стирки и потребляет небольшое количество стиральной жидкости.
На обратной стороне корзины может быть предусмотрена паровая труба для промывки кристаллизованных материалов на обратной стороне при высокой температуре. коробка передач: циклоидная коробка передач, планетарная коробка передач и гидравлическая коробка передач, чтобы подходить для разделения различных материалов.
Центрифуга с горизонтальным винтовым фильтром llw широко используется в химической, пищевой, соляной, горнодобывающей, фармацевтической и других отраслях промышленности. Благодаря своему принципу разделения и структурным характеристикам он обладает сильной актуальностью для материалов. Он в основном подходит для материалов с большим размером частиц и без строгих требований к разрушению частиц. Анализ материалов и соответствующие испытания должны быть проведены для определения его применимости и характеристик разделения. У нас более 100 видов данных о применении материалов и успешный опыт. мы можем общаться с нашими техническими специалистами при выборе материалов, чтобы получить более подробную информацию.
● Основные детали, такие как корзина и конвейер, изготовлены из высококачественной коррозионно-стойкой нержавеющей стали и титанового сплава.
● 10° и 20° доступны для угла корзины в зависимости от условий технологии.
● Специальный фильтрующий металлический пластинка-сетка (толщина 0,4-0,5 мм) или трапециевидная проволочная сетка (толщина 4,5-5 мм) для необязательных.
● Регулирование переменной частоты с бесступенчатой регулировкой скорости вращения корзины.
● Подача, фильтрация, промывка, обезвоживание и сброс проводятся непрерывно, обеспечивая большую емкость.
● Гибкая конфигурация смазки смазки или смазки тонкего масла, простой и надежный способ смазки.
● Защита безопасности: обнаружение скорости, защита от чрезмерной вибрации, защита от перегрузки и перегрева двигателя и т. Д..
| триэтаноламин | ЛОН-обменная смола | оксалат кальция | жвачка (феруловая) | фосфат аммония |
| соленый пирог | хлорид натрия | нитрат натрия | таниновая кислота | метаборат натрия |
| активированный | аммоний, аммоний | перборат натрия | кристаллическая газировка | сульфат меди |
| неорганический | хлорат натрия | фосфат натрия | железный квасц | ледниковая уксусная кислота |
| аспирин | лимонная кислота | метафосфат натрия | хлорид аммония | хлорид калия |
| гипс, гипс | сульфат натрия | бисульфат калия | бисульфит калия | фосфат калия |
| нитрат серебра | сульфат магния | полистирол | сульфат калия | фосфат калия |
| фосфат меди | борный бород | поливиниловый спирт | стеарат калия | сульфат калия |
| тиоцианат аммония | бензилцеллюлоза | гексаметафосфат натрия | пластиковые гранулы |
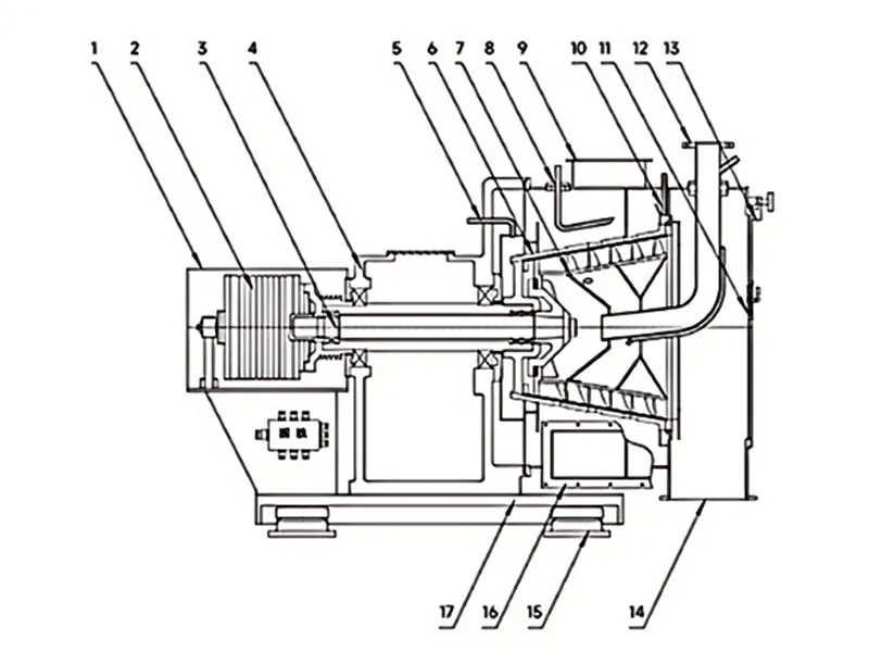
1. Дифференциальный экран
2. Дифференциал
3. Привод шпинделя
4. Корпус подшипника
5. Трубка для очистки внешнего барабана
6. Наружный барабан
7. Внутреннее вращение
8. Трубка для очистки стенки внешнего вращающегося барабана
9. Выхлопное отверстие
10. Труба для очистки наружного барабана
11. Прицел (со скребком)
12. Труба для промывки подачи
13. Устройство крышки двери
14. Отверстие разгрузки
15. Амортизатор
16. Выход жидкости
17. Моторная кровать