
2025-10-21
Характеристики материала
Гидроксид лития моногидрат представляет собой белый кристаллический порошок. он растворяется в воде и слегка растворит в спирте. он может поглощать углекислый газ из воздуха и разлагаться. он сильно щелочный, невоспламеняющийся, но сильно агрессивный. обычно он появляется в виде моногидрата. когда температура превышает 100℃, он теряет воду гидратации; около 1000 ℃ гидроксид лития образует оксид лития и водяной пар. Безводный гидроксид лития является важным сырьем для приготовления трехкомпонентных материалов для литиевых аккумуляторов.
Специальный процесс сушки
Производство безводного гидроксида лития из моногидратного гидроксида лития имеет следующие характеристики и требования: используется более высокая температура нагрева (обычно тепловое масло 220℃), чтобы довести температуру материала до такой точки, где можно удалить кристаллизационную воду; В процессе сушки углекислый газ может легко реагировать и вызывать деградацию, поэтому сушильное оборудование должно работать в герметичной среде; Материал рыхлый, но имеет плохую текучесть и имеет тенденцию образовывать комочки; он требует низкого энергопотребления, равномерного нагрева материала, хорошей рабочей среды и способности соответствовать стандартам на одном дыхании; моногидратный гидроксид лития аккумуляторного класса предъявляет строгие требования к добавлению магнитных веществ в процессе сушки (обычно < 20 ppb); удаление пыли и контроль запаха выхлопных газов должны быть хорошо управляемыми.
Основываясь на анализе материалов и многолетнем инженерном опыте, компания Hebei Yanming Chemical Equipment Co., ltd. успешно использовала энергосберегающую и экологически чистую дисковую непрерывную сушилку в качестве оборудования для производства безводного гидроксида лития из моногидратного гидроксида лития и предоставила системные решения для многих производителей этого материала.
В ответ на требования к магнитным веществам в сушеных изделиях литийной соли и аккумуляторных материалов (обычно требующие уровня ниже 20 ppb), наша компания первым использовала титановые и неметаллические материалы для деталей контактных материалов непрерывных сушилок лоткового типа. (например, кормовые лотки, сушильные лотки, входные и выходные порты и грабли). мы разработали и модифицировали сушильное оборудование для нескольких предприятий по производству аккумуляторных материалов. Даже при использовании нержавеющей стали 304 или нержавеющей стали 316 л наша непрерывная сушилка типа лотка может гарантировать, что увеличение магнитных веществ после сушки не превышает 20 ppb.
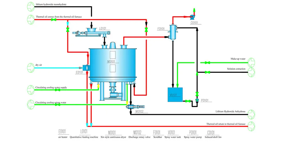
Обзор процесса
Моногидратный материал гидроксида лития, передаваемый из предыдущего процесса, непрерывно подается в энергосберегающую дисковую непрерывную сушилку с помощью дозирующего питателя для повышения температуры и обезвоживания кристаллизационной воды. В процессе потока происходит тепло- и массоперенос, достигая цели удаления кристаллизационной воды. После охлаждения в сушилке до температуры упаковки (обычно около 50℃) материал сбрасывается через вращающийся клапан через дренажный отверстие и вступает в следующий процесс. Выделяемый из материала выхлопной газ после очистки выбрасывается через специализированный пылеуловитель, расположенный в верхней части сушилки.
Характеристики процесса
① В ответ на характеристики моногидратного гидроксида лития, который легко реагирует и разлагается при встрече с углекислым газом, во-первых, для сушки используется закрытая дисковая непрерывная сушилка, чтобы предотвратить реакцию и разложение моногидратного гидроксида лития во время процесса сушки; во-вторых, в вытяжном отверстии дисковой непрерывной сушилки установлен закрытый воздуходувитель, чтобы избежать ввода большого количества холодного воздуха из-за влияния всасывания вентилятора; в-третьих, принимается специальная структура для предотвращения реакции гидроксида лития с углекислым газом в воздухе, конкретные меры отражены в конечном оборудовании.
② непрерывная работа, высокая тепловая эффективность. поскольку дисковая непрерывная сушилка представляет собой проводящую теплообменную сушку, сушилка не проникает воздух в процесс сушки, его несущая способность выхлопных газов очень мала, поэтому его тепловая эффективность может достигать более 85%.
③ Минимальные потери материала и отличная эксплуатационная среда. В непрерывной дисковой сушилке для сушки моногидратного гидроксида лития из-за перемещения материала сверху вниз распределение влажное сверху и сухое снизу. Расход выхлопных газов чрезвычайно низкий (около 0,1 м/с), что затрудняет подъем пыли к вершине оборудования и его уносят выхлопными газами. это не только предотвращает потерю материала, но и избегает загрязнения окружающей среды, удовлетворяя требованиям охраны окружающей среды; вся система сушки работает в закрытом режиме, используя специальные пылеуловители для выхлопных газов, способные извлечь более 99% пыли.
④ Оборудование имеет высокую регулируемость, сушка материала может быть равномерно регулирована. регулируя скорость оборудования, толщину слоя материала, расход источника тепла, температуру источника тепла, количество граблов, форму, размер и угол листьев грабла, количество добавленного материала и количество сушильных дисков, используемых в сушилке, эффект сушки материала может быть легко регулирован.
⑤ Стабильная работа, длительный срок службы и простая эксплуатация оборудования.
⑥ Поток материала однородный, отсутствие обратного смешивания, равномерная сушка, стабильное качество, не нужно снова смешивать.
⑦ Каждый сушильный поднос может быть отдельно поставлен тепловой или холодной средой для нагрева или охлаждения материала. Также можно добиться сушки верхнего и охлаждения нижнего уровня в одном оборудовании, что позволяет точно и легко контролировать температуру материала.
⑧ Для мелких частиц в мокром материале используется специальное дробильное устройство для дробления мелких частиц в порошок в соответствующем месте внутри сушилки, тем самым усиливая процесс теплообмена и сушки и обеспечивая однородность сушеного материала.
● Простота установки, небольшой расстояние. Сушилка изготавливается в целом, транспортируется в целом, просто поднимается на место, установка и позиционирование очень просты; Из-за расположения слоя сухого диска, вертикальной установки, даже если площадь сушки большая, след также невелик.
● В соответствии с требованиями промышленности аккумуляторных материалов к магнитным веществам в сушеных изделиях (обычно в пределах 20 ppb), наша дисковая непрерывная сушилка имеет высокую точность обработки, а точность полировки поверхности диска может достигать ra0,2.
● В связи с проблемой пыли и запаха в выхлопных газах во время процесса обезвоживания гидроксида лития для удаления пыли и запаха из выхлопных газов используется влажный пылеуловитель с хорошим удалением пыли и запаха.
● Запатентованная технология используется для разделения зоны сушки и зоны охлаждения в одном устройстве, что изолирует распространение влаги из зоны сушки в зону охлаждения и предотвращает конденсацию влаги для увеличения влажности сушеного материала. В то же время устанавливается отверстие, чтобы материал мог проходить и обеспечить нормальную работу.
● С учетом плохой текучести гидроксида лития и проблемы, связанной с образованием пасти на сушильной пластине, используется специальная структура лопасти грабла, чтобы материал не был пасти на сушильной пластине.