
Прямой привод верхнего типа для центра вращения двигателя для привода и барабана совпадает с центром машины с плавной и стабильной работой.
● Прямой привод верхнего типа для центра вращения двигателя для привода и барабана совпадает с центром машины с плавной и стабильной работой.
● Демпфирующий жидкость амортизатор вибрации. отсутствие фундамента для установки облегчает эксплуатацию и техническое обслуживание.
● Большое соотношение длина-диаметр, большая грузоподъемность.
● Жесткое соединение основания и корпуса, обеспечивая простую и компактную конструкцию.
● Независимый сиденье подшипника, большой пролет опоры подшипника, низкий центр тяжести корзины, большая грузоподъемность.
● Вождение без ремня, гарантирует отсутствие трения и пыли.
● Полностью автоматическое управление программой работы, обеспечивающее надежную и безопасную работу.
● Система защиты от азота доступна для взрывозащищенных применений.
Распределение
Однотрубчатая или многотрубчатая боковая подача
Выгрузка скребка
Гидравлическое давление
Привод двигателя
Общий двигатель, двигатель с преобразователем частоты, взрывозащищенный двигатель, тормоз энергопотребления или тормоз с обратной связью
Защита безопасности
Взрывозащищенность, вибрационная защита, защита от обнаружения полного материала, защита от температуры, электромеханическая блокировка, контроль скорости, защита от перегрузки, система защиты от азота
Обработка поверхности
Полировка зеркал, матовая обработка, пассивационная обработка
Электрические компоненты
Поставка бренда
Остаточная обработка торта
Газовая обратная выдувка, скребок с роликом, скребок с газовой помощью
Управление программированием
Программируемый режим управления и режим управления DC
Защита от азота
Автоматическое устройство подачи азота, устройство упаковки жидкости, газожидкостный сепаратор, система обнаружения содержания кислорода
Обработка покрытия
Футеровка галар (F30), F40, F46, PFA, pe и резина
Разрядный бункер
Калибр и высота могут быть настроены в соответствии с требованиями пользователя
| Товары | PAUT1250 | PAUT1250 | PAUT1320 | PAUT1500 | PAUT1600 |
| Диаметр корзины (мм) | 1250 | 1250 | 1320 | 1500 | 1600 |
| Объем корзины (л) | 281 | 450 | 490 | 653 | 970 |
| Макс. нагрузка (кг) | 380 | 610 | 660 | 880 | 1300 |
| Макс. скорость вращения (об/мин) | 970 | 970 | 900 | 850 | 850 |
| центробежная сила | 658 | 658 | 598 | 607 | 647 |
| Мощность двигателя (кВт) | 22 | 30 | 30 | 37 | 45 |
| Размеры (Д×Ш×В) (мм) | 2100*2000*2200 | 2100*2000*2600 | 2100*2000*2600 | 2600*2350*2700 | 2700*2350*2900 |
| Вес (кг) | 4500 | 5000 | 5500 | 8500 | 10000 |
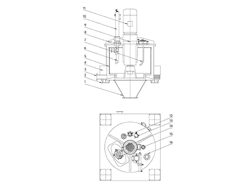
1. Разрядный бункер
2. Амортизатор с демпфированием жидкости
3. Выходная труба
4. Компоненты рамы
5. Барабанный блок
6. Трубопровод подачи
7. Труба для мойки
8. Точка подъема
9. Шпиндель блок
10. Компонент скребок
11. Компонент электродвигателя
12. Взрывозащищенная лампа
13. Контроллер слоя
14. Крышка люка
15. Зеркальный клапан (с скребом)
16. Выхлопная труба